LUC濾油車吸油過濾器
簡述:
LUC濾油車吸油過濾器不僅適合于各類液壓油、潤滑油的過濾凈化,而且廣泛用于電站、電廠、變電工區、石油、化工、冶金、鋼鐵、交通、拖拉機站、國防工業等單位過濾凈化絕緣油、透平油、潤滑油、液壓油、機械油等液體油液中的雜質微粒,能達到廢油再生的目的。
詳情介紹
■ 用途:
LUC濾油車不僅適合于各類液壓油、潤滑油的過濾凈化,而且廣泛用于電站、電廠、變電工區、石油、化工、冶金、鋼鐵、交通、拖拉機站、國防工業等單位過濾凈化絕緣油、透平油、潤滑油、液壓油、機械油等液體油液中的雜質微粒,能達到廢油再生的目的。
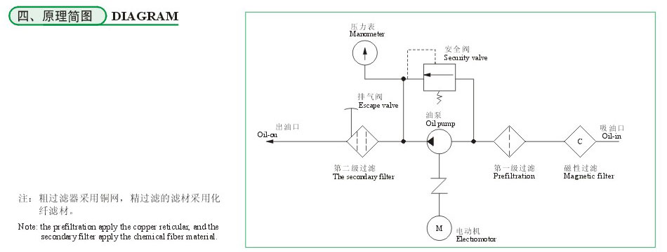
■ 工作原理:
本精密濾油機是在動力電源的驅動下使油液經粗濾器濾除大顆粒雜質,然后,油液在流經一級精過濾器時,大于10-20μm雜質微粒被濾除,z后,游液進入二級精過濾器,油中的細小微粒被徹底濾除去。過濾器過濾芯精度根據用戶要求配置,z高可達1μm 油液清潔度z高可達NAS1638 6級。
■ 結構:
●精密濾油機主要有由粗濾器、齒輪油泵、一級精過濾器、二級精過濾器、安全閥、壓力表、進出口閥門及移動小車組成。
●粗過濾器是一個網式過濾器,分兩級粗過濾,濾網為不銹鋼網,一級為40目,二級為60目。
●精過濾元件是由棉脫脂后的棉纖維濾層材料纏繞在多孔不銹鋼骨架上形成蜂房式濾芯。本濾芯孔徑外大內小,具有優良的深層過濾效果。
●齒輪油泵設有安全閥(出廠時安全閥壓力調節在工作壓力的150%左右)。
.jpg)
.jpg)
.jpg)
.jpg)